Úvod
O nás
Kontakt
Ke stažení
Přihlásit
Registrace
0
0Ks
zboží v hodnotě:
0 Kč vč. DPH
Zboží v akci
Zboží pouze dočasně slevněno.
Novinky v eshopu
Přehled nových produktů v e-shopu.
Výprodej
Zboží bude nabízeno do doprodeje.
Eshop - Konektory Brno s.r.o.
Produkty
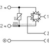
Konektor pro ovládání ventilů typ A dle DIN 43650 s můstkem a varistorem 934888136.
Dle možného použití
Automobilový průmysl
Elektronika
Ethernet a telefon
Kabelová konfekce
Koaxiální konektory
Ochrana vodičů
Průmysl
Hranaté se sponou
Kruhové
Spojky, krabice, průchodky..
Pro ventily
Řadové plastové
Solární panely, světelný p.
Kabelové vývodky
RELÉ
Rotační konektory
Ruční nářadí
Solární ohřev
Vodiče
Weicon spreje, těsnění, lepidla ...
Pasivní součástky
Výrobci
Amphenol
Belden/Hirschmann/Lumberg
Bosch
Bulgin
CNLINKO/Shenzhen Linko Electric
Delphi/Aptiv
Deutsch/TE connectivity
DMC Tool
FCI/Amphenol
Ilme ...
ITT Cannon
Lemo/REDEL
Techno s.r.l.
TE connectivity
Mercotac
Molex/Brad
Ostatní
Raychem/TE connectivity
Rennsteig Werkzeuge GmbH
SCHLEMMER
Souriau/EATON
Weicon
Výběr skupin dle provední
Autovodiče FLRY
Autopojistky
Automobilová relé a patice
Bateriové konektory/k akumulátorům
Hadice SCHLEMMER+příslušenství
Kabelové vývodky a ucpávky
Konektory BULGIN
Konektory Deutsch
Konektory dle DIN 41612/EN 60603-2
Konektory D-SUB
Konektory Faston a Fastin Faston
Konektory s vyšším krytím
Kruhové konektory
Kruhové konektory LINKO/CNLINKO
Kruhové konektory dle DIN72585
Konektory MIL-C-5015/MIL-DTL-5015
Konektory a kabely Valentini/Syntax
Konektory modelářské/napájecí
Konektory USB
Smršťovací hadičky/bužírky
Konektory z řady Timer
SUPERSEAL 1.0mm
Superseal 1.5
AMPSEAL
AMPSEAL 16
HDSCS/Heavy Duty Sealed Connectors
MCON
Rychlospojky a spojky
Krimpovací kleště a soupravy
Odizolovací a stříhací kleště,nože...
Jednoúčelové krimpovací kleště
Průmyslová balení
Weicon technické spreje
Weicon těsnění a pásky
GDM210B-V3U-10D: Konektor pro ovládání ventilů typ A dle DIN 43650 s můstkem a varistorem 934888136.
Zpět
* Obrázky mohou mít ilustrativní charakter
Cena bez DPH:
170,00 Kč
/ 7,14 eur
Cena s DPH:
205,70 Kč
/ 8,64 eur
ks
skladem
Produktové číslo
GDM210B-V3U-10D
Záruka
24 měsíců
Výrobce
Belden/HIRSCHMANN
Země původu
CZ
Celní číslo sazebníku
85366990
Váha
27 g
Produkt na stránkách výrobce
Popis
Počet pinů: 2+PE
Průřez vodiče: max. 1.5mm2
Pracovní napětí: 230V
Proudové zatížení: 1A
Krytí: IP 65
Vývod: PG 11 (kabel průměru 4.5-11mm)
Centrální šroub: M3x35mm
Původní značení: 932329106 / GDML 2011 GB 1
Ke stažení
belden
(972KB)
Související produkty
Těsnění pro konektory řady GDM. Původní značení GDM 3-7 NBR
Cena bez DPH
7,20 Kč
/ 0,30 eur
skladem
Konektor pro připojení ventilů 932597100 / GSA 3000
Cena bez DPH
28,90 Kč
/ 1,21 eur
skladem
Těsnění GDM 3-16 NBR pro konektory k ventilů.
Cena bez DPH
5,80 Kč
/ 0,24 eur
skladem
© 2025
Konektory Brno s.r.o.
- všechna práva vyhrazena
Vytvořilo FEO